本文SBWR-2161智能熱電偶溫度91粉色视频資料由優質91粉色视频生產報價廠家為您提供。

SBWR-2161智能熱電偶簡介溫度91粉色视频;
SBW係列熱電阻和熱電偶溫度91粉色视频,采用雙線傳輸模式,將熱電阻、熱電偶電阻和毫伏信號轉換成與輸入信號或溫度信號成線性關係的20mA輸出信號。它可以安裝在熱電阻和熱電偶的接線盒中形成一個整體結構,也可以以導軌的形式安裝在儀表控製箱中。上海自動化儀表三廠生產的SBWR-2161智能熱電偶具有耐衝擊、耐潮濕、精度高、功耗低、工作環境溫度範圍廣、運行穩定可靠等優點。作為新一代的溫度測量和傳輸儀器,它廣泛應用於冶金、石化、電力、紡織、食品等工業部門。
SBWR-2161智能熱電偶溫度91粉色视频主要技術參數:
◆範圍:0-800℃
◆輸入類型:E型
◆輸出類型:輸出20mA(輸出線性至相應溫度)
◆精度等級:0.5%FS,0.2%FS
◆傳輸模式:雙線製
◆工作電源:DC12~35V,額定工作電壓DC24V
◆負載電阻:0-600ω,額定負載:250ω
◆環境溫度:-20℃~70℃(智能)
◆相對濕度:5%~95%
◆環境溫度影響:≤0.05/1℃
溫度91粉色视频工作原理:
SBW係列熱電阻和熱電偶溫度91粉色视频,采用雙線傳輸方式,將熱電阻和熱電偶的電阻和毫伏信號轉換成20mA輸出信號,與輸入信號或溫度信號成線性關係。並將信號傳輸到計算機或其他設備。
溫度91粉色视频使用類型選擇:

模型示例:
SBWR-2161表示e級非隔離常規型,輸出與相應溫度成線性關係的智能型為20mA 溫度91粉色视频
SBWR-4261表示k分頻非隔離常規型,輸出與相應輸入信號成線性關係的智能型為20mA 溫度91粉色视频
SBWR-2160表示e級非隔離常規型,輸出與相應的溫度成線性關係,20mA輸出溫度91粉色视频
SBWR-4160表示e級非隔離常規型,輸出與相應的輸入信號成線性關係,輸出為20mA 溫度91粉色视频
此外,訂購時應提供溫度範圍等參數
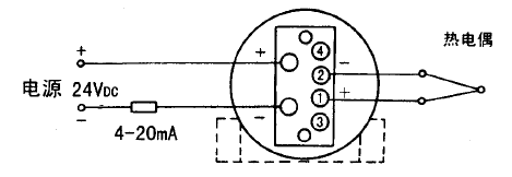
溫度91粉色视频安裝圖片:
◆SBWR-2161智能熱電偶溫度91粉色视频

◆SBWR-2161智能熱電偶溫度91粉色视频連接

《SBWR-2161智能熱電偶溫度91粉色视频》本文地址:http://www.25it.net/news/hy/922.html 轉載請勿刪除!
全國服務熱線